KJF

ENG


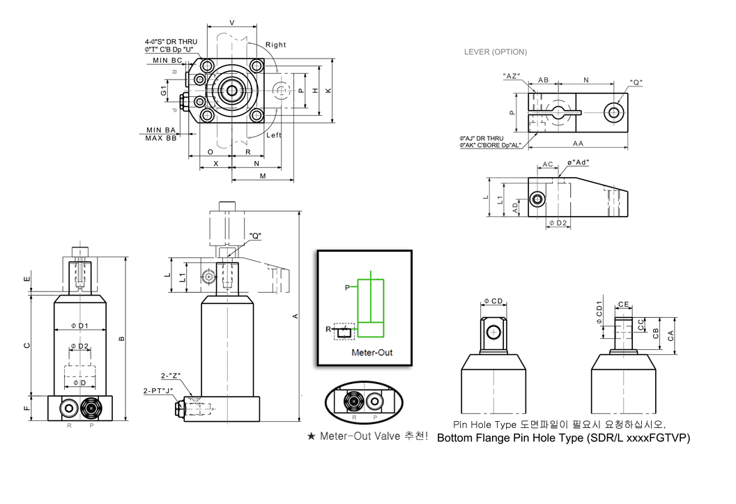
Bottom Flange Type Swing Clamp

YOU CAN COUNT ON OUR EXPERTISE

Piping and Manifold Method

Features
  • 하부플랜지
  • 가스켓 배관형
  • 플랜지 상부 가스켓 배관형
  • 스윙클램프는 Meter-Out Valve가 속도조절에 유리
  • 내경범위 : ø25~55
  • 작동범위 : 20~150kgf/㎠
  • 사용온도 : 0~60℃
  • 레버는 옵션
Model No.
  • 1
    Clamp Type
    SDR = SWING RIGHT
    SDL = SWING LEFT
  • 2
    Piston Diameter
    ex ) 25 = Ø25
  • 3
    Piston Rod Stroke
    ex ) 22 = 22mm
  • 4
    Type
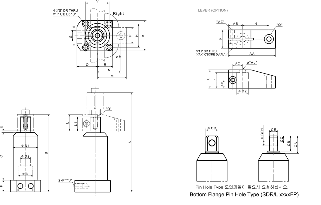
    F = Bottom Flange
    FP = Bottom Flange + Pin Hole Rod
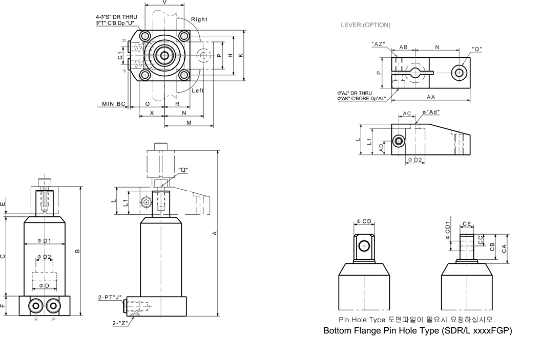
    FG = Bottom Flange + Gasket
    FGP = Bottom Flange + Gasket + Pin Hole Rod
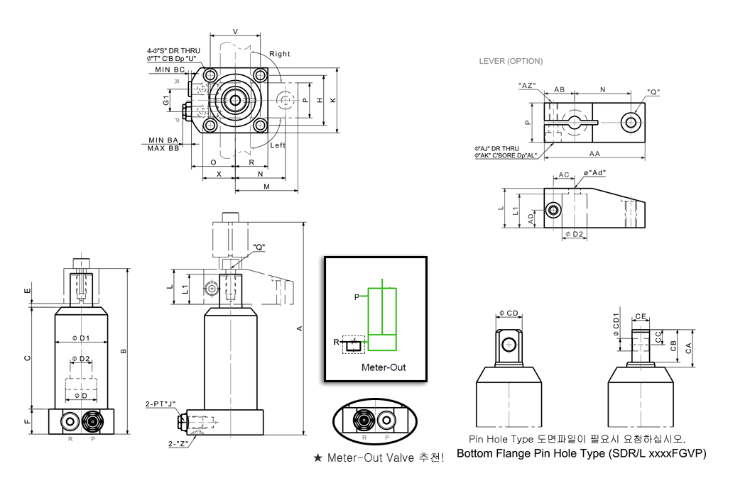
    FGW = Bottom Flange + Gasket + Flow Control Valve
    FGPW = Bottom Flange + Gasket + Pin Hole Rod + Flow Control Valve
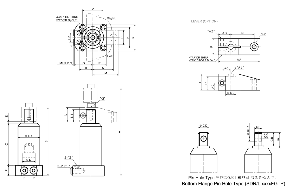
    FGT = Bottom Flange + Gasket Top
    FGPT = Bottom Flange + Gasket Top + Pin Hole Rod
    FGWT = Bottom Flange + Gasket Top + Flow Control Valve
    FGPWT = Bottom Flange + Gasket Top + Pin Hole Rod + Flow Control Valve
    ★ W: Meter-Out Valve / V: Meter-In Valve
  • 5
    Swing Angle
    No sign = 90°
    ex) 30 = 30°
SWING CLAMP BOTTOM FLANGE TYPE
  • SDR/L-2522
  • SDR/L-3030
  • SDR/L-4045
  • SDR/L-5555
Specifications
Model No. Type Max. Cylinder
Force(kgf)
Piston
Diameter(ø)
Effective
Area(㎠)
Stroke(mm) Oil
Capacity(㎤)
at Clamping
Swing Angle Telerance
(Repeated Accuracy)
Operating
Pressure Range
(kgf/㎠)
Operating
Temperature
Range(℃)
Weight
(kg)
Swing Straight Total
SDR/L-2522 F 354 25 2.36 12 10 22 5.20 ±3°
(±0.5°)
20~150 0~60 1.6
FG
FGT
SDR/L-3030 F 470 30 3.13 16 14 30 9.38 2.7
FG
FGT
SDR/L-4045 F 962 40 6.41 16 29 45 28.83 4.8
FG
FGT
SDR/L-5555 F 2120 55 14.13 25 30 55 77.72 10.3
FG
FGT
  • 클램프력 그래프(클릭!)
  • - F Type
    MODEL NO 주문 Download Dimensions(mm)
    2D 3D PDF A B C øD øD1 øD2 E F G1 H J K L L1 M N O P Q R S T U V AA AB AC AD øAd AJ AK AL AZ CA CB CC øCD1 øCD CE
    SDR/L-2522F 154.5 132.5 81.5 25 42 18 3 20 18 40 PT 1/8 52 28 24 50 40 35 28 M8x1.25P 26 7 11 7 40 71.5 21.5 15 12.5 9 6.5 11 7 M6 27 22.5 10 8 17 12
    SDR/L-3030F 188 158 98 30 52 22.4 3 25 20 46 PT 1/4 60 32 27 60 50 40 32 M10x1.5P 30 7 11 7 46 88 28 19 14 11 9 14 9 M8 30 26 12 10 21 14
    SDR/L-4045F 223 178 112 40 65 28 3 28 24 64 PT 1/4 80 35 29 75 60 50 38 M12x1.75P 40 9 14 9 64 110 35 24.5 15 13 11 17 11 M10 34 31 14 12 26.5 18
    SDR/L-5555F 288 233 160 55 85 35 3 30 30 76 PT 3/8 97 40 34 90 70 59 60 M16x2.0P 48.5 11 17 11 76 130 40 28 17 17 11 17 20 M10 43 38 18 16 33 22
    - FG Type
    MODEL NO 주문 Download Dimensions(mm)
    2D 3D PDF A B C øD øD1 øD2 E F G1 H J K L L1 M N O P Q R S T U V X Z AA AB AC AD øAd AJ AK AL AZ BC CA CB CC øCD1 øCD CE
    SDR/L-2522FG 154.5 132.5 81.5 25 42 18 3 20 18 40 PT 1/8 52 28 24 50 40 35 28 M8x1.25P 7 11 7 40 26 P6 71.5 21.5 15 12.5 9 6.5 11 7 M6 3.9 27 22.5 10 8 17 12
    SDR/L-3030FG 188 158 98 30 52 22.4 3 25 20 46 PT 1/4 60 32 27 60 50 40 32 M10x1.5P 7 11 7 46 31 P6 88 28 19 14 11 9 14 9 M8 3.3 30 26 12 10 21 14
    SDR/L-4045FG 223 178 112 40 65 28 3 28 24 64 PT 1/4 80 35 29 75 60 50 38 M12x1.75P 9 14 9 64 38 P6 110 35 24.5 15 13 11 17 11 M10 3.3 34 31 14 12 26.5 18
    SDR/L-5555FG 288 233 160 55 85 35 3 30 30 76 PT 3/8 97 40 34 90 70 59 60 M16x2.0P 11 17 11 76 47 P7 130 40 28 17 17 11 17 20 M10 1.8 43 38 18 16 33 22
    - FGW(meter-out)/FGV(meter-in) Type
    MODEL NO 주문 Download Dimensions(mm)
    2D 3D PDF A B C øD øD1 øD2 E F G1 H J K L L1 M N O P Q R S T U V X Z AA AB AC AD øAd AJ AK AL AZ BA BB BC CA CB CC øCD1 øCD CE
    SDR/L-2522FGV 154.5 132.5 81.5 25 42 18 3 20 18 40 PT 1/8 52 28 24 50 40 35 28 M8x1.25P 26 7 11 7 40 26 P6 71.5 21.5 15 12.5 9 6.5 11 7 M6 7.1 13.7 3.9 27 22.5 10 8 17 12
    SDR/L-3030FGV 188 158 98 30 52 22.4 3 25 20 46 PT 1/4 60 32 27 60 50 40 32 M10x1.5P 30 7 11 7 46 31 P6 88 28 19 14 11 9 14 9 M8 7.2 16.8 3.3 30 26 12 10 21 14
    SDR/L-4045FGV 223 178 112 40 65 28 3 28 24 64 PT 1/4 80 35 29 75 60 50 38 M12x1.75P 40 9 14 9 64 38 P6 110 35 24.5 15 13 11 17 11 M10 7.2 16.8 3.3 34 31 14 12 26.5 18
    SDR/L-5555FGV 288 233 160 55 85 35 3 30 30 76 PT 3/8 97 40 34 90 70 59 60 M16x2.0P 48.5 11 17 11 76 47 P7 130 40 28 17 17 11 17 20 M10 5.7 15.3 1.8 43 38 18 16 33 22
    - FGT Type
    MODEL NO 주문 Download Dimensions(mm)
    2D 3D PDF A B C øD øD1 øD2 E F G1 H J K L L1 M N O P Q R S T U V X Z AA AB AC AD øAd AJ AK AL AZ BC CA CB CC øCD1 øCD CE
    SDR/L-2522FGT 154.5 132.5 81.5 25 42 18 3 20 18 40 PT 1/8 52 28 24 50 40 35 28 M8x1.25P 7 11 7 40 26 P6 71.5 21.5 15 12.5 9 6.5 11 7 M6 3.9 27 22.5 10 8 17 12
    SDR/L-3030FGT 188 158 98 30 52 22.4 3 25 20 46 PT 1/4 60 32 27 60 50 40 32 M10x1.5P 7 11 7 46 31 P6 88 28 19 14 11 9 14 9 M8 3.3 30 26 12 10 21 14
    SDR/L-4045FGT 223 178 112 40 65 28 3 28 24 64 PT 1/4 80 35 29 75 60 50 38 M12x1.75P 9 14 9 64 38 P6 110 35 24.5 15 13 11 17 11 M10 3.3 34 31 14 12 26.5 18
    SDR/L-5555FGT 288 233 160 55 85 35 3 30 30 76 PT 3/8 97 40 34 90 70 59 60 M16x2.0P 11 17 11 76 47 P7 130 40 28 17 17 11 17 20 M10 1.8 43 38 18 16 33 22
    - FGWT(meter-out)/FGVT(meter-in) Type
    MODEL NO 주문 Download Dimensions(mm)
    2D 3D PDF A B C øD øD1 øD2 E F G1 H J K L L1 M N O P Q R S T U V X Z AA AB AC AD øAd AJ AK AL AZ BA BB BC CA CB CC øCD1 øCD CE
    SDR/L-2522FGVT 154.5 132.5 81.5 25 42 18 3 20 18 40 PT 1/8 52 28 24 50 40 35 28 M8x1.25P 7 11 7 40 26 P6 71.5 21.5 15 12.5 9 6.5 11 7 M6 7.1 13.7 3.9 27 22.5 10 8 17 12
    SDR/L-3030FGVT 188 158 98 30 52 22.4 3 25 20 46 PT 1/4 60 32 27 60 50 40 32 M10x1.5P 7 11 7 46 31 P6 88 28 19 14 11 9 14 9 M8 7.2 16.8 3.3 30 26 12 10 21 14
    SDR/L-4045FGVT 223 178 112 40 65 28 3 28 24 64 PT 1/4 80 35 29 75 60 50 38 M12x1.75P 9 14 9 64 38 P6 110 35 24.5 15 13 11 17 11 M10 7.2 16.8 3.3 34 31 14 12 26.5 18
    SDR/L-5555FGVT 288 233 160 55 85 35 3 30 30 76 PT 3/8 97 40 34 90 70 59 60 M16x2.0P 11 17 11 76 47 P7 130 40 28 17 17 11 17 20 M10 5.7 15.3 1.8 43 38 18 16 33 22
    TOP